Główna O nas Kontakt Projekty Timer NE555 ST6 Realizer Historia Linki
SYMULATOR ALARMU SAMOCHODOWEGO
Tadeusz LECH chelt@interia.pl
Wstęp:
Tym razem chcę zaprezentować prosty układ symulatora alarmu samochodowego, który wprawdzie nie zabezpieczy naszego samochodu, ale może zadziałać psychologicznie. Potencjalny złodziej wybierze raczej samochód, w którym nic nie miga. Bo skąd ma wiedzieć, że to symulacja.

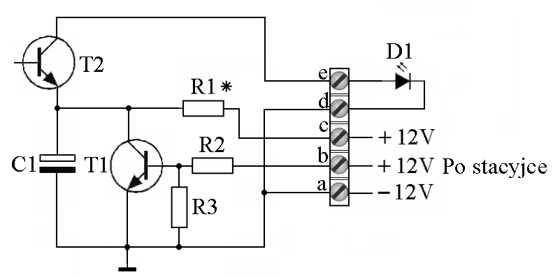
Schemat elektryczny układu symulatora
Opis działania układu:
Układ symulatora składa się z dwóch tranzystorów, trzech oporników i kondensatora.
Po podłączeniu zmontowanego układu do napięcia zasilania 12V samochodu - konektory a, c przez opornik R1 zacznie płynąć prąd ładowania kondensatora C1. Napięcie na kondensatorze będzie wzrastać, aż osiągnie wartość napięcia zasilania. Działo, by się tak, gdyby nie tranzystor T2 npn włączony inwersyjnie. Niektóre tranzystory włączone inwersyjnie zachowują się tak jak diak.
W tranzystorach takich napięcie przebicia złącza emiter – kolektor zawiera się w przedziale 8V do 9V. Wobec powyższego kondensator C1 nie naładuje się do wartości przyłożonego napięcia. Gdy napięcie na nim wzrośnie do progu przełączenia T2 (8-9V) nastąpi przebicie złącza emiter – kolektor i kondensator rozładuje się przez diodę LED do masy dając w efekcie jej rozbłyśnięcie. Kondensator ponownie zacznie się ładować i cykl powtórzy się. Częstotliwość z jaką dioda będzie migać zależy od stałej ładowania, którą można zwiększać lub zmniejszać przez zmianę R1. Dioda będzie migać do momentu wyłączenia zasilania. Układ złożony z tranzystora T1 i oporników R2, R3 działa w sposób następujący. Gdy kierowca wejdzie do samochodu dioda D1 miga. Po przekręceniu stacyjki w II położenie na konektor b zostanie podane napięcie +12V. Do tej pory zatkany tranzystor T1 przez R3 wejdzie w stan przewodzenia. Kondensator C1 rozładuje się przez złącze kolektor – emiter do masy, a dioda przestanie błyskać. Przewodzący T1 będzie zwierał do masy kondensator do momentu, gdy kierowca nie wyłączy zapłonu. Z chwilą wyłączenia zapłonu T1 zostanie zatkany, a C1 zacznie się ładować powodując znowu błyskanie diody. Dioda automatycznie będzie błyskać w czasie postoju samochodu, gdy stacyjka jest wyłączona i będzie gasła, gdy stacyjka zostanie włączona. Wyłączanie diody na czas jazdy ma znaczenie dla bezpieczeństwa jazdy – nie rozprasza kierowcy.
Układ montujemy na płytce przedstawionej poniżej:

Wykaz elementów:
T1 – BC 238
T2 – np. BC 548, BC 107.
R1 – 2k
R2 – 10k
R3 – 100k
C1 – 1000/10V
D1 – LED dowolna 5mm
Konektor a, b, c, d, e.